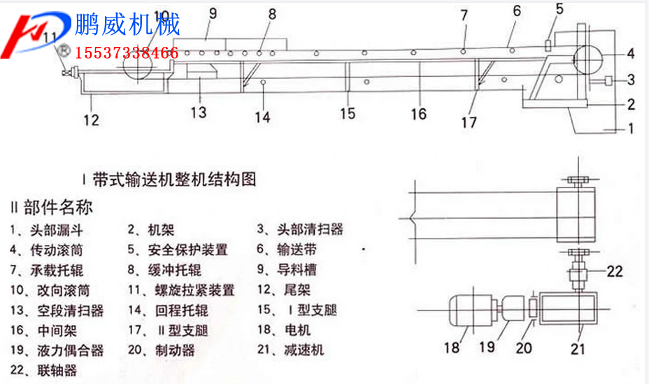
皮帶式輸送機基本組成:
帶式輸送機的整機應包括以下零部件(但不限於):
1、膠帶;
2、托輥組;
3、滾筒組;
4、驅動裝置(含電動機、減速器、機械聯軸節、驅動裝置底座等);
5、盤式製動器;
6、逆止器;
7、拉緊裝置;
8、導料槽;
9、皮帶清掃器;
10、中間架、支腿、滾筒支架、接料板、安全防護罩、護欄等鋼結構件;
11、現場補漆用的塗料和溶劑,試運轉用的油料、潤滑劑;
12、安裝、調試及試運轉期間所需的全部易耗品、易損件;
13、設備安裝、維修、檢驗及操作用專用工具、儀器、調試用儀器儀表。

